全國服務熱線
400-875-1500
400-875-1500
銷售熱線:13720093566

掃一掃,添加銷售經理
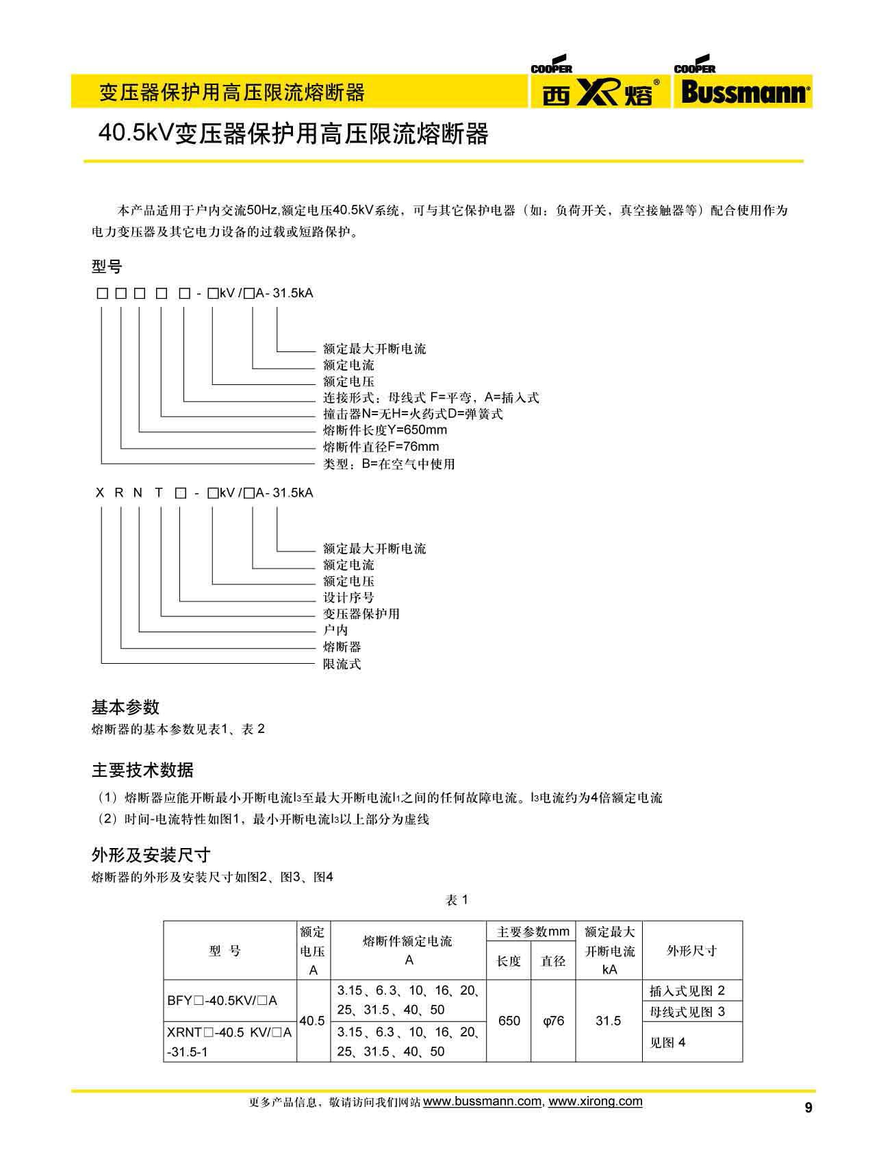
高壓限流熔斷器XRNP6-7.2KV/0.5-50KA-1
庫存型號:XRNP1-12/6.3-50-1;XRNP1-12KV/0.5-50KA-2;XRNP1-12KV/1A-50KA-1;XRNP6-7.2KV/0.5-50KA-1
電壓:7.2(3.6)KV;12KV;40.5KV
電流:0.2-6.3A
應用:電力變壓器及其它電力設備的過載或短路保護
分享至:
- 產品介紹
- 視頻中心
- 相關證書
- 樣品申請
- PDF下載










銷售熱線
















